
產品市場market
產品分類Classify

串聯諧振試驗設備在進行耐壓試驗中實際應用有哪些,如下說明:
①利用串聯諧振產生工頻高電壓,應用在高電壓技術中,為變壓器等電力設備做耐壓試驗,可以有效的發現設備中危險的集中性缺陷,是檢驗電氣設備絕緣強度的最有效和最直接的方法。
②在無線電工程中,常常利用串聯諧振以獲得較高的電壓。
L1:接收天線
L2與C:組成諧振電路
L3:將選擇的信號送接收電路
天線線圈接收不同頻率的信號,就會在L2端產生不同頻的感應電動勢。
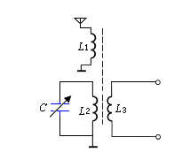
收音機接收電路(一般稱為調諧電路):
原理圖如下:

L1:接收天線
L2與C:組成諧振電路
L3:將選擇的信號送接收電路
天線線圈接收不同頻率的信號,就會在L2端產生不同頻的感應電動勢。
變頻串聯諧振是運用串聯諧振原理,利用勵磁變壓器激發串聯諧振回路,調節變頻控制器的輸出頻率,使回路電感L和試品C串聯諧振。在生產生活中主要應用在變電站、電廠、耐壓設備、干式變壓器、油浸式變壓器、充氣式變壓器、互感器等相關試驗中的實際應用
上一篇:漏電保護器的檢測周期是多久?
下一篇:降低接地電阻的阻值方法有哪幾種?